Классы компонентов: 1.14.2. Стабилизаторы напряжения
Сегодня будет рассказ про стабилизаторы напряжения. Попробую, может и не очень кратко, рассказать какие они бывают, их плюсы и минусы и как правильно выбрать необходимый именно вам.
Речь пойдет о бытовых и промышленных изделиях – хотя граница разделяющая их очень призрачная. И в данной статье ничего не будет про стабилизаторы из мира электроники.
Многие, наверное, сталкивались с проблемой, когда дома, в гараже, на приусадебном участке или на вашем свечном заводике моргает свет от ламп и(или) непредсказуемо работают бытовые и промышленные приборы. Чаще всего причиной этой оказии является нестабильное напряжение в питающей сети. Нормой, согласно ГОСТ 29322-92, является напряжение, находящееся в диапазоне +6%/-10% от 230/400 вольт (L-N/L-L). Все что находится выше или ниже разрешенного диапазона обычно очень плохо влияет на оборудование и на комфортность его использования. Вот для устранения таких проблем и были придуманы стабилизаторы напряжения.
В общем, стабилизатор напряжения — это устройство на вход которого поступает напряжение с широким диапазоном значений, а на выходе снимается стабильное напряжение, удовлетворяющее ГОСТу.

Немного из теории - с питающей сетью могут быть следующие проблемы:
- Пониженное или повышенное напряжение (длительно)
- Полное пропадание питания (более 10 мсек)
- Просадка напряжения (не более 16 мсек)
- Бросок напряжения (от 4 до 16 мсек)
- Импульсные высоковольтные помехи (менее 1 мсек)
- Всплески напряжения (менее 4 мсек)
- Колебания частоты (случайно)
- Высокочастотные помехи (периодические)
- Гармонические искажения (длительно)
Для 3-фазных сетей кроме выше описанного можно добавить:
- Существенная асимметрия напряжения по фазам
- Нарушение чередования фаз
- Слипание фаз
- Пропадание одной или двух фаз
- Обрыв нейтрального провода
Так вот стабилизаторы напряжения, в большинстве случаев, защищают только от пониженного или повышенного напряжения.
При перегрузках или при существенном снижении или превышении разрешенных значений входного напряжения они просто отключают нагрузку от сети.
Какие же разновидности стабилизаторов напряжения бывают?
Так как единого стандарта описывающего типы стабилизаторов нет, то я использую популярное в настоящий момент разделение продающихся на рынке изделий.
Стабилизаторы делят на:
- электромеханические
- электронные
К электромеханическим стабилизаторам относятся релейные ступенчатые, использующие силовые электромагнитные реле, и электродинамические (сервоприводные), где применяются электродвигатели с подвижными контактами.
К электронным стабилизаторам относятся тиристорные (семисторные) ступенчатые стабилизаторы, а также инверторные (с двойным преобразованием) стабилизаторы
То есть, в электромеханических стабилизаторах регулирующие устройства построены на электромеханических реле или на электродвигателях с подвижными контактами, а в электронных стабилизаторах выравнивание напряжения осуществляется или тиристорами (семисторами) или силовыми транзисторами, что очень сильно влияет на ресурс и возможности управления.
Теперь расскажу про работу, а также достоинства и недостатки каждого типа.
Стабилизатор напряжения релейный
![]() |
|
Стабилизаторы со ступенчатым релейным переключением имеют обмотку автотрансформатора (АТ) с множеством отводов. Каждому отводу обмотки соответствуют разные коэффициенты трансформации. Электронная схема блока управления (БУ) анализируя состояние сети, коммутирует силовые реле (R), подключенные к разным секциям обмотки автотрансформатора, обеспечивая стабильное выходное напряжение.
Достоинства данного типа стабилизатора:
- относительно дешевое решение - нет дорогих и сложных в изготовлении элементов;
- широкий диапазон рабочих напряжений - нижний предел входного напряжения чаще всего 140В, но бывают модели и на 125, 110 и даже 90В. верхний предел обычно 270В-280В. При более низком или более высоком входном напряжении стабилизатор просто отключит нагрузку от сети;
- высокий КПД - потери только на трансформаторе (КПД >95%) и немного на БУ и разогрев реле;
- высокое быстродействие - одно из основных достоинств данного типа. При резком изменении входного напряжения стабилизатор не перебирает все реле по очереди, а сразу переключается на необходимое. Время реакции обычно 20 мс;
- правильная синусоида на выходе - это по сравнению с инверторными стабилизаторами которые вносят существенное искажение в синусоиду выходного напряжения - приборы-потребители это не любят.
Недостатки:
- защищает только от низкого или высокого напряжения;
- ступенчатость регулировки выходного напряжения - тут уже никуда не деться, такая технология. Обычно между выводами разница напряжения 4-10%;
- низкий коммутационный ресурс силовых реле - основная беда данного типа стабилизатора. Реле очень не любят перегрузки и при частых коммутациях быстро выходят из строя;
- максимальная мощность обычно до 12 кВА
- шум при переключении реле - да, щелчки слышно очень хорошо, к тому же, как и любой представитель трансформаторных, автотрансформатор гудит.
- низкая устойчивость к загрязненной среде и влаге - автотрансформатору необходимо охлаждение при больших нагрузках - поэтому в любом стабилизаторе очень много вентиляционных отверстий. При этом существуют модели с принудительной вентиляцией, и они как пылесос затягивает кучу пыли в корпус, которая проникает в силовые реле (особенно на мощных моделях), что быстрее выводит их из строя.
Перейдем ко второму типу стабилизаторов
Стабилизатор напряжения электромеханический (электродинамический, сервоприводный)
![]() |
![]() |
|
Сначала немного теории. Электромеханический стабилизатор состоит из автотрансформатора (АТ) по обмотке которого перемещается, посредством электромеханического привода, щеточный контакт. Электронная схема блока управления (БУ) анализируя состояние сети, перемещает подвижный контакт для формирования необходимого коэффициента трансформации и таким образом обеспечивает стабильное выходное напряжение.
Достоинства:
- высокая точность регулирования (нет ступеней);
- высокая нагрузочная способность - второе основное достоинство, однофазные стабилизаторы данного типа могут быть до 30кВА, трехфазные до 100 кВА и более;
- высокая перегрузочная способность - в отличии от реле, которые могут привариться от перегрузки или от симисторов которые могут сгореть и вывести устройство из строя, электромеханический стабилизатор после перегрузки будет работать, правда может не стабильно, из-за повреждения контакта или обмотки трансформатора.
- правильная синусоида на выходе.
Недостатки:
- защищает только от низкого или высокого напряжения;
- низкое быстродействие - один из основных недостатков данного типа. ~1s при изменении входного напряжения на ±10%. В то время, когда релейный стабилизатор уже переключится на новую обмотку, в электромеханическом стабилизаторе мотор с подвижным контактом только начнет движение;
- ограниченный ресурс работы - второй основой недостаток, слишком много подвижных деталей. Износ движущихся частей со временем требует их замены (подвижный контакт придется сменить через 3-5 лет использования, электропривод – через 5-7 лет). Некоторые производители включают в конструкцию стабилизатора два графитовых контакта.
Увеличение площади контакта с обмоткой трансформатора повышает надежность устройства. - ну и шум - слышно двигатель сервопривода при перемещении контакта при подстройке напряжения;
- низкая устойчивость к загрязненной среде - электродвигатель и щеточный контакт отличный сборники пыли, что не продавливает им срок службы;
- ограничение по влажности окружающего воздуха - медь обмотки, под подвижным контактом, при высокой влажности быстро окисляется, что приводит к нестабильной работе устройства;
- необходимо ежегодное ТО для поддержания устройства в рабочем состоянии.
Перейдем к электронным устроствам
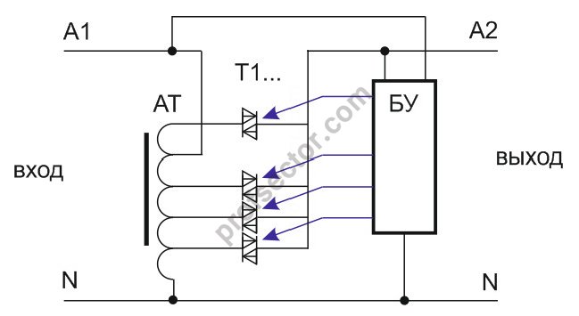
Стабилизатор напряжения электронный (тиристорный дискретный, симисторный ступенчатый)
![]() |
|
В нем почти все также, как и в релейном стабилизаторе, за исключением того, что коммутацию выводов автотрансформатора осуществляют вместо реле силовые полупроводниковые приборы - симисторы. Если кто не знает, то симисторы являются разновидностью тиристоров и используются для коммутации в цепях переменного тока, так как обладают двухсторонней проводимостью.
Достоинства данного типа стабилизатора:
- почти все достоинства как у релейного стабилизатора, кроме дешевизны;
- симисторы имеют ОЧЕНЬ большой коммутационный ресурс (это главное достоинство) и при правильной эксплуатации могут прослужить до ваших внуков (если их еще нет) или ваших правнуков (если внуки уже есть);
- гудение трансформатора слышно, но вот громких щелчков уже нет;
- более высокая устойчивость к загрязнениям - так как нет реле и все относительно закрыто, а трансформатор может поработать и грязным.
Недостатки:
- защищает только от низкого или высокого напряжения;
- решение не дешевое - симисторы и радиаторы к ним стоят существенных денег;
- ступенчатость регулировки выходного напряжения - тут, как и у релейного;
- максимальная мощность не больше 10 кВА, что меньше чем у релейного.
Инверторный стабилизатор напряжения (стабилизатор напряжения с двойным преобразованием)
![]() |
![]() |
Начнем с принципа работа.
Входное напряжение сети поступает на пассивный сетевой фильтр (СФ). Он сглаживает пиковые выбросы сетевого напряжения и практически полностью убирает высокочастотные помехи. После чего напряжение попадает на выпрямитель (В), преобразующий переменный ток в постоянный. Далее выпрямленное напряжение поступает на инвертор (И) и на блок конденсаторов (К). Конденсаторы необходимы для сглаживания моментов, связанных с кратковременными провалами или всплесками напряжения на входе изделия. Инвертор же преобразует поступающую энергию в стабильное выходное напряжение необходимой частоты. К сожалению инвертор не может создать выходное напряжение с идеальной синусоидой, из-за особенностей технологи там будут присутствовать высокочастотные искажения. Поэтому на выходе еще ставят выходной фильтр (ВФ). Все этим хозяйством управляет микропроцессорный контроллер (М).
По своей сути инверторный стабилизатор напряжения — это источник бесперебойного питания (ИБП) технологии онлайн, но без батарей.
Достоинства данного типа стабилизатора:
- защищает практически от всех проблем с питающей сетью кроме пропадания напряжения;
- мгновенная регулировка напряжения с погрешностью не более 1%;
- очень широкий диапазон входного напряжения;
- существенное легче и компактнее других стабилизаторов соизмеримой мощности, так как построен на безтрансформаторной схеме;
- имеет ОЧЕНЬ большой ресурс работы так почти не имеет движущихся частей (чаще всего это вентиляторы охлаждения, которые можно при необходимости быстро заменить);
- почти бесшумный (напоминаю про вентилятор охлаждения, но обычно до 1кВА их не ставят);
- высокий КПД до 97%;
- высокая устойчивость к загрязнениям – нет рабочих контактов.
Недостатки:
- ЦЕНА. Данные стабилизаторы являются самыми дорогими среди всех видов подобных устройств;
- по мере увеличения нагрузки на стабилизаторе происходит уменьшение предельного диапазона входного напряжения. К примеру, когда нагрузка меньше 50%, входной диапазон 115…300В, а когда нагрузка находится в пределах 50…70%, то входной диапазон становится 140…300В. При нагрузке, которая превышает 70% входной диапазон вообще становиться 160…300 вольт;
- к сожалению, как и все устройства с двойным преобразованием (например, промышленные преобразователи частоты и ИБП) может выдавать высокочастотные помехи в сеть и нагрузку, что возможно будет влиять на чувствительные приборы;
- максимальная мощность не больше 20 кВА
- мощные модели под полной нагрузкой могут существенно греться – необходимо позаботиться об утилизации тепла.
Конструктивные особенности
Теперь краткое описание конструктивных особенностей, которые могут быть у любого типа стабилизаторов.
Байпас
Байпас (англ. bypass — обход) - функция, в стабилизаторе напряжения позволяющая выполнить коммутацию входного напряжения непосредственно на выход, минуя все функциональные блоки.
Переход стабилизатора в режим "байпас" может выполняться автоматически или вручную. Стабилизатор может автоматически переходить в режим "байпас" при перегрузке выходных цепей или при возникновении внутренних неисправностей. Таким образом, нагрузка защищается не только от сбоев в питающей электросети, но и от неполадок в самом устройстве. Возможность ручного перевода устройства в режим байпас предусмотрена на случай проведения его технического обслуживания без отключения нагрузки.
Включение режима "байпас" вручную рекомендуется в следующих случаях:
- мощность нагрузки превышает мощность стабилизатора
- необходимость проведения работ, вследствие которых возникает большое скопление строительной пыли (например, штукатурка, отделка). Эта пыль грозит выведением аппарата из строя, если осядет на его внутренних частях.
- стабилизатору не достаточно напряжения. Низкий уровень энергии в питающей сети заставляет его выключиться, а это приводит к лишению тока всего помещения. В такой ситуации через байпас напряжение проводится напрямую, пока не будет нормализирован его уровень в сети.
- необходимость проведения профилактических работ со стабилизатором.
- потребители на долгое время уезжают из дома, в котором находятся подключенные электроприборы. Байпас необходимо переключить в обход стабилизатора, и тогда техника продолжит беспрепятственно и безопасно работать.
- при необходимости уменьшить износ стабилизатора. При долговременных стабильных показателях напряжения электросети, удовлетворяющих требования ГОСТа, применение этого устройства не имеет смысла.
Важно, при переключении в режим байпас необходимо понимать, что нагрузка будет питаться напрямую от внешней сети без какой-либо стабилизации. Это сделает подключенное оборудование уязвимым для любых перепадов и скачков входного напряжения.
Также важно, что отключать и включать байпас в релейных и электромеханических устройствах можно только тогда, когда устройство выключено.
Исполнение по типу сети
Стабилизаторы напряжения делятся на однофазные и трехфазные.
Однофазные стабилизаторы используются для поддержания стабильного напряжения в однофазной сети 230 В. Однофазные стабилизаторы малой мощности могут применяться для защиты от перепадов напряжения бытовой техники: телевизоров, холодильников, аудиосистем. Однофазные стабилизаторы большой мощности задействуются для питания промышленного оборудования, а также для подключения к электросети коттеджей, дач, квартир и офисов.
Трехфазные стабилизаторы, соответственно, работают с трехфазной сетью 380 В. Как правило, они рассчитаны на большую нагрузку (промышленное оборудование, офисы, квартиры, загородные дома.)
Особенность 3-х фазных стабилизаторов
Трехфазные стабилизаторы могут быть как с регулировкой по среднефазному напряжению, так и с независимой регулировкой по каждой фазе.
Трехфазный стабилизатор с регулировкой по среднефазному выходному напряжению
![]() |
Устройство: На каждой фазе стабилизатора смонтированы вольтодобавочные трансформаторы (Т) связанные каждый со своим регулятором напряжения (автотрансформаторами АТ). Блок управления (БУ) следит за точностью стабилизации среднефазного выходного напряжения по всем трем фазам и дает соответствующие команды единственному сервомотору (M) двигающему подвижные контакты автотрансформаторов. В схеме не используется нейтральный провод - поэтому данный стабилизатор способен работать с трехфазными сетями, построенными по схеме "треугольник" (без нейтрали). Достоинства:
Недостатки:
|
Трехфазный стабилизатор с независимой регулировкой по каждой фазе
![]() |
Устройство: На каждой фазе стабилизатора смонтированы вольтодобавочные трансформаторы (Т) связанные каждый со своим регулятором напряжения (автотрансформаторами АТ). Каждый регулятор напряжения имеет собственные блок управления и сервопривод, для подстраивания выходного напряжения. Фактически это 3 независимых стабилизатора по каждой фазе. Такие устройства идеально подходят для работы с любым видом трехфазных нагрузок и допускают существенную разбалансровку в нагрузке. Достоинства:
Недостатки:
|
Возможность настройки времени задержки включения нагрузки
На некоторых стабилизаторах напряжения возможно изменение интервала времени между включением стабилизатора и подачей питания на подключенную к нему нагрузку. Задержка необходима для защиты оборудования в случае частых проблем с сетью. Только по истечении заданной задержки, во время которой блок управления стабилизатора не видит проблем с сетью, происходит подача напряжения на нагрузку.
Реализовано это, чаще всего, в виде кнопки, нажатием на которую можно выбрать более длительный интервал задержки.
Главный редактор портала Profsector.com Самойленко Сергей.
В сравнении









