Классы компонентов: 1.13.1.6. Ящики управления электродвигателями (Я, РУСМ)
Используя прием/передачу данных и команд по каналам сотовой связи с помощью обычных сотовых телефонов (GSM-модема) посредством СМС сообщений, можно дистанционно управлять исполнительными механизмами и оборудованием, осуществлять контроль за состоянием оборудования.
Дистанционное управление исполнительными механизмами и оборудованием, контроль состояния датчиков, оборудования и технологических параметров применяются в тех местах, где нет постоянного надзора за работающим оборудованием. Это могут быть артезианские скважины, тепловые пункты с насосами и задвижками, прочее оборудование.
Постановка задачи
Компании АО «Регион-Автоматика» была поставлена задача разработать и изготовить шкаф с дистанционным управлением электродвигателя затвора по сотовой сети - ШУЗ-GSM. Предусмотреть местное управление, индикацию состояния щита и затвора, а также защиту электродвигателя привода от перегрузок и коротких замыканий.
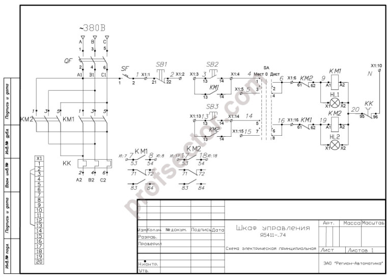
За основу был принят стандартный ящик Я5411-2574 (схемы в приложение № 1).
Состав шкафа управления
Определившись с основными компонентами шкафа составим спецификацию для заказа в производство и определения стоимости НКУ. Стоимость зависит от выбранного бренда комплектующих и составляет примерно от 70 до 100 тысяч рублей. (пример спецификации Приложение 2)
Описание конструкции ШУЗ-GSM
Металлическая оболочка с внешними размерами 600х600х250, 1-й сплошной дверью. Степень защиты от внешних факторов IP65. Наружные поверхности шкафа покрыты порошковой краской RAL 7035 (цвет галечный серый)
На дверях ШУЗ-GSM расположены органы управления и сигнализации (рис. 1):
- Красная сигнальная лампа «Авария» - горит при обнаружении контроллером аварийного состояния щита или затвора;
- Зеленая сигнальная лампа «Открыто» - горит постоянно, когда затвор открыт и моргает с частотой 0,5 сек., когда затвор открывается;
- Желтая сигнальная лампа «Закрыто» - горит постоянно, когда затвор закрыт и моргает с частотой 0,5 сек., когда затвор закрывается
- Переключатель видов управления, на три положения «Дистанционное» / 0 / «Местное». В среднем положении происходит сброс аварий.
- Кнопка зеленого цвета «Открыть» - для открытия затвора при местном управлении
- Кнопка зеленого цвета «Закрыть» - для закрытия затвора при местном управлении
- Кнопка красного цвета «Стоп» - для остановки процедуры открытия/закрытия затвора при местном управлении.

Рис. 1. Лицевая панель шкафа
Внутри ШУЗ-GSM (рис. 2), на монтажной панели смонтированы:
- Вводной выключатель нагрузки.
- Автоматический выключатель защиты электродвигателя с доп.контактами.
- Автоматы защиты цепей управления и микроклимата.
- Контакторы с тепловым реле.
- Блок питания ~220В/-24В.
- Контроллер.
- Коммуникационный блок.
- Модуль GSM.
- Система поддержки микроклимата. Она включает в себя два термостата, нагреватель и вентилятор с решетками. Данная система работает полностью автономно от системы управления затвором и регулируется только термостатами. Поэтому предварительно необходимо произвести их настройку путем указания температуры их срабатывания.
- Клеммники.

Рис.2. Вид собранного шкафа
Снизу ШУЗ-GSM смонтированы гермовводы для подключения подходящих и отходящих кабелей.
С правой стороны установлен гермоввод для заводки кабеля от антенны (на время транспортировки антенна закреплена внутри корпуса).
Так же с правой и левой стороны размещены входные и выходные решетки системы охлаждения ШУЗ-GSM.
Для работы ШУЗ-GSM в режиме «Дистанционного управления» установлена SIM-карта в блоке GSM.
Разработка программы.
При написании программы использовалось ПО ZelioSoft. (вид программы приложение 3)
Необходим персональный компьютер с USB-разъемом и с установленным программным обеспечением. Контроллер настроен на работу с телефонами и паролями заказчика.
Виды SMS сообщений (по умолчанию) которые передает ШУЗ-GSM на телефон оператора:
- VnimaniyeZatvorotkryt – сообщение приходит, когда затвор достиг положения «Открыт».
- VnimaniyeZatvorzakryt – сообщение приходит, когда затвор достиг положения «Закрыт».
- VnimaniyeZatvorneispraven – сообщение приходит, когда ШУЗ-GSM перешел в режим «Авария».
Сообщение о неисправности затвора не расшифровывает причину аварии. Её можно посмотреть на экране контроллера.
Проверка работоспособности шкафа управления и наладочные работы.
Для проверки работоспособности будем кнопками имитировать состояние контактов исполнительных устройств. Контактные группы нормально закрытые и нормально открытые, которые присутствуют на затворе. (Видео «Проверка работоспособности шкафа управления»)

Рис. 3. Кнопки имитации срабатывания механизмов.
Шкаф имеет два режима управления, которое выбирается переключателем на лицевой панели шкафа (рис. 4).
- МЕСТНОЕ
- ДИСТАНЦИОННОЕ.
Проверку начинаем с выбора «МЕСТНОГО» режима управления.
При нажатии на кнопку «ОТКРЫТЬ», затвор начинает открываться. Во время открытия начинает моргать лампа индикации. По окончании открытия затвора (поступает сигнал с концевика), лампа индикации загорается полностью.И одновременно с контроллера передается информация на телефон об открытии затвора по GSM каналу. Сообщение на телефон поступает в виде SMS сообщения, номер открытого затвора.
Управление в дистанционном режиме.
Управление осуществляется с телефона SMS сообщениями.
На телефоне пишем SMS сообщение. Вводим идентификационный код нашего затвора и указываем команду открытия затвора. Примерно через 15-20 секунд после отправки сообщения (время зависит от загрузки сотовой сети), срабатывает команда для исполнительного механизма. По завершении открытия на телефон приходит сообщение, подтверждающее открытие.

Рис.4. полученное SMS сообщение об открытии затвора.
Команды и информация о состоянии могут предаваться и получаться как с помощью одного или нескольких сотовых телефонов, так и с помощью специализированного компьютера, имеющего блок GSM и соответствующее ПО
В случае аварии, такой как: отключение вводного автомата защиты электродвигателя или теплового реле, получение сигнала от аварийных датчиков, аварийные концевые выключателей, лампа индикации шкафа показывает аварию. На телефон приходит сообщение о произошедшей аварии с кодом аварии.
При аварийном режиме будет заблокирована любая работа с ШУЗ-GSM до тех пор, пока не будет устранена и сброшена Авария.
Информация об авариях хранится в контроллере в журнале регистрации.
Посмотреть: «Проверка работоспособности шкафа управления»

Приложения.
Приложение №1
Схема ящика Я5411-2574.

Приложение №2
Спецификация.

Приложение №3

На все Ваши вопросы ответят специалисты компании АО «Регион-Автоматика».
Есть вопросы? Присылайте их на nku@ra-nn.ru.
В сравнении