Классы компонентов: 1.6.3.1.1. Плавкие вставки (предохранители)
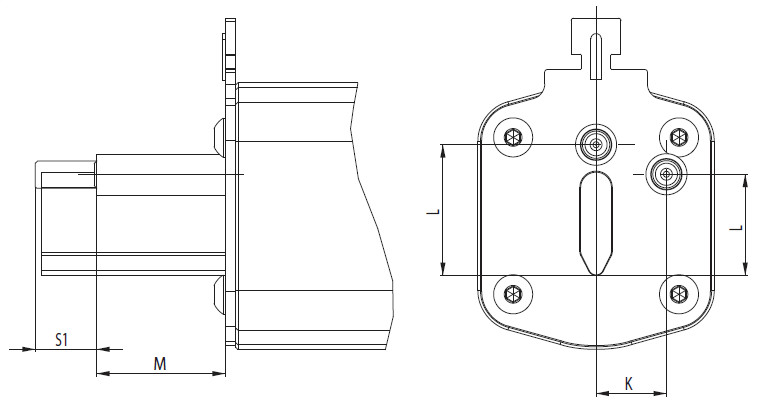
Основные размеры ножевых вставок NV, NH, ПН2 (мм)
Вставки с индексом NV/NH ...С имеют уменьшенные габаритные размеры, они легче и дешевле, при полном сохранении электрических характеристик и возможностей применения как у полноразмерных вставок.
|
![]() |
Расположение бойка у вставок NV, NH
Предохранители с бойком служат для применения в разъединителях оснащенных микровыключателем для дистанционного контроля состояния предохранителя. При перегорании плавкой вставки срабатывает боёк, толкатель выдвигается из корпуса предохранителя, и нажимает микровыключатель, смонтированный в разъединителе.
|
![]() |
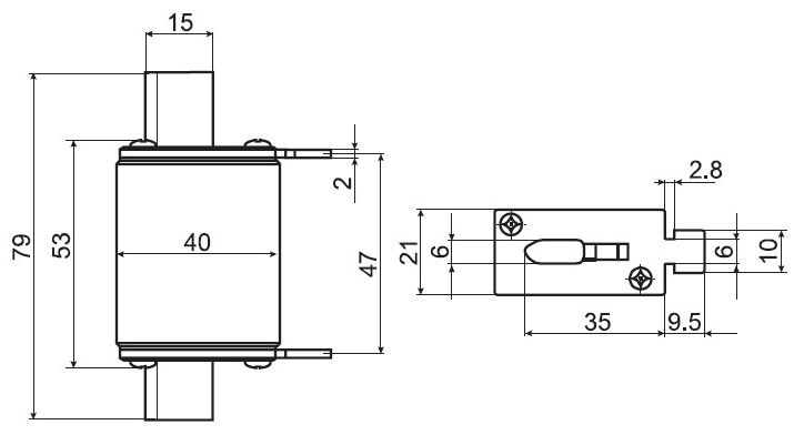
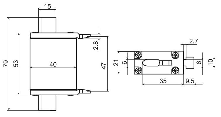
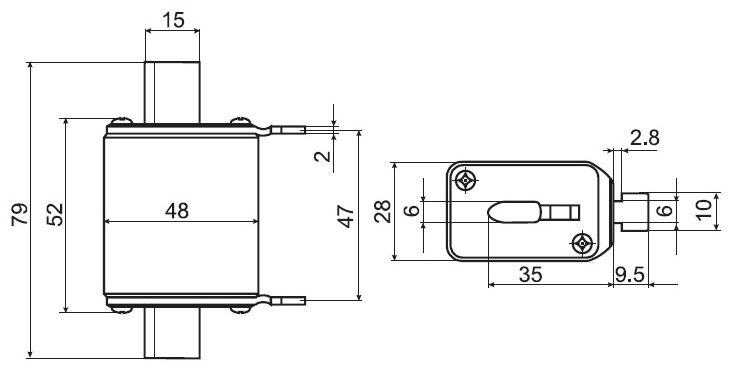
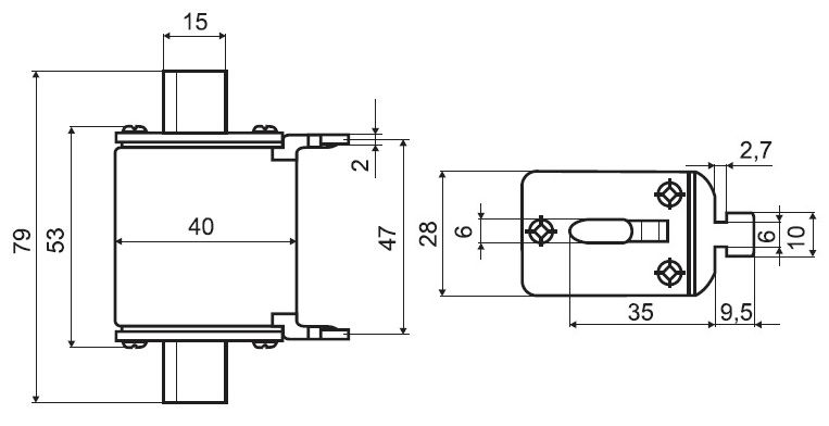
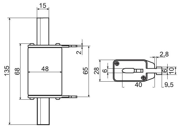
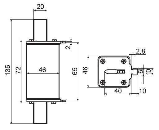
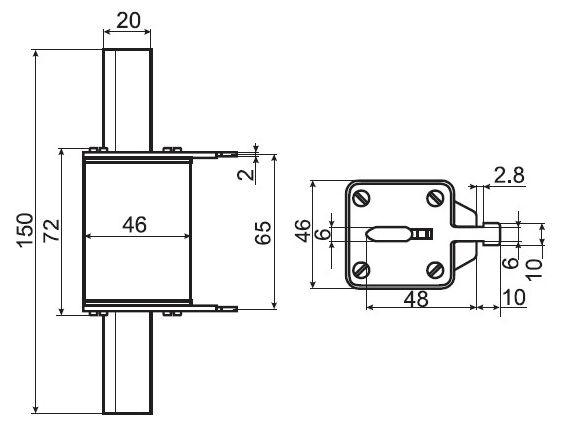
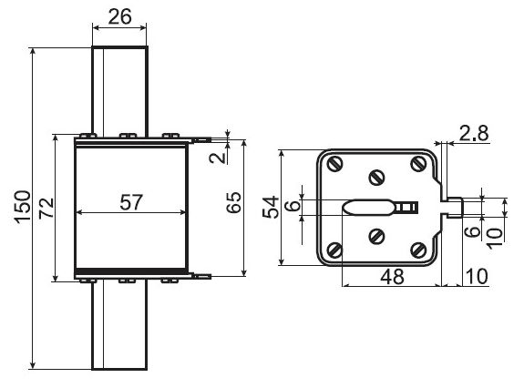
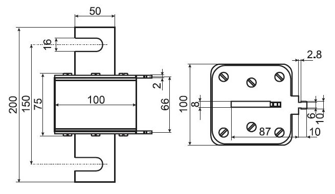
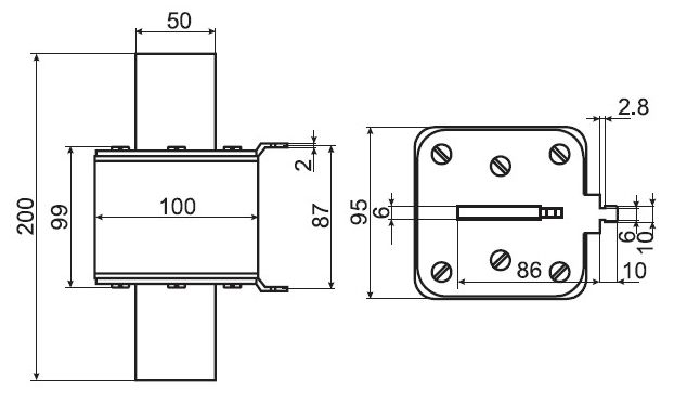
Полные размеры ножевых вставок NV, NH (мм)
| Обозначение | Габариты вставок с металлическими крышками | Габариты вставок с изолированными крышками |
|---|---|---|
| Габарит NV/NH 00C | ![]() |
![]() |
| Габарит NV/NH 00 | ![]() |
![]() |
| Габарит NV/NH 0 | ![]() |
|
| Габарит NV/NH 1C | ![]() |
|
| Габарит NV/NH 1 | ![]() |
|
| Габарит NV/NH 2C | ![]() |
|
| Габарит NV/NH 2 | ![]() |
|
| Габарит NV/NH 3/3C | ![]() |
|
| Габарит NV/NH 4 | ![]() |
|
| Габарит NV/NH 4a | ![]() |
В сравнении












